
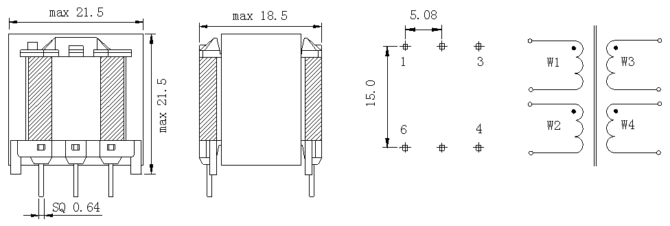
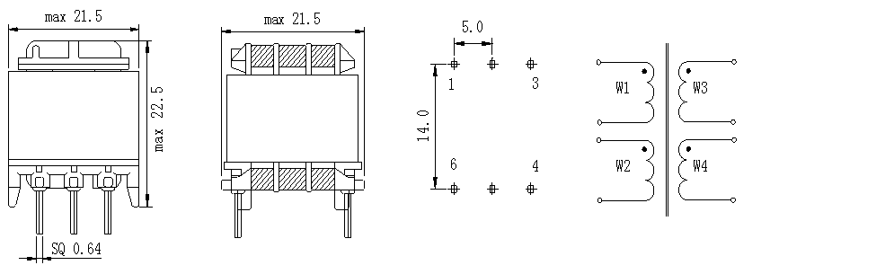
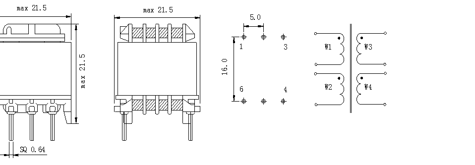
EF20/11 Type
Technical data
● Typical switching frenquncy 500KHz Max.
● Operating temperature range:-10℃~115℃
● Normal inductance at 10KHz,1Vac,25℃
● Inductance tolerance ±5% at gapped core,±30% at ungapped core
● Customer-specific types on request
Application
● Standby transformers,line filters,inductors,etc.
● Ballast,switching power supply,etc.
● RoHS Compliance
Design EF20/11
● Core:EF20/11
● Coil former:see below information
Typical configuration & dimensions & Circuit Diagram





